Interaction hall

Chambers

The PALS target area involves two target chambers. These chambers form an aggregate system but may be operated independently to accommodate two different experiments. Their conception features versatility for diverse laser-plasma interaction experiments.

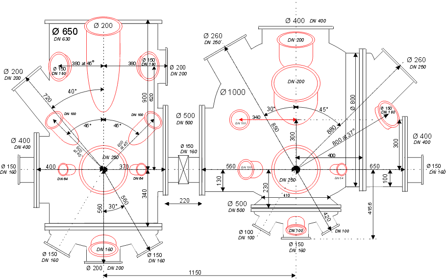
The master target chamber (on the right) consists of a spherical section 100 cm in diameter, equipped with a hinged, 80 cm diameter end cap that serves as the main entrance port. A pneumatic clamping mechanism is used to seal the system, allowing quick and unobstructed access to the chamber interior. Another entryway is provided by a 50 cm diameter port outfitted by a hinged door, located at the side opposite to the main beam insertion port. Fifteen circular ports of diameter ranging from 64 to 500 mm are further available for diagnostic and alignment purposes.

The second target chamber (on the left) is a 124 cm long cylinder, 65 cm in diameter. Similarly to the master chamber, it is equipped with a hinged door using a pneumatic lock. It may be vacuum coupled to the master chamber or operated independently. When vacuum coupled, the separation of the targets can be adjusted to range from 95 cm to about 5 meters, using different lengths of vacuum bellows and/or solid tubing. The distance rearrangement is eased by a guideway system integrated in the floor, in which the cylindrical chamber may be displaced. In addition to the beam entry and vacuum ports, there are 18 smaller ports on this chamber available for diagnostic instrumentation.

Both the 290 mm main beam and two 148 mm auxiliary beams delivered by the PALS laser may be sent to either of the two chambers. The auxiliary beams may enter the chambers either in the horizontal plane or from above, at a nominal angle of 25 to the horizontal. This layout allows creating illumination configurations appropriate to experiments using main and backlighter plasmas or overlapping line foci. The chamber geometry has been designed to allow also, through a future upgrade involving add-on segments, two-beam irradiation from opposite directions.

In both chambers, all internal optics and target stage are mounted on a support frame which is directly bolted to the floor and mechanically decoupled from the chamber walls with a counterbalanced bellows system. This technique is used to ensure micrometer stability of the target mounts, by preventing their relative motion due to flexing of the chamber walls during pump down.

The chambers and the target mechanical equipment were designed by Jean Claude Lagron and Miroslav Hudecek.

Artist rendition of the chambers

Overall view of the PALS target chambers, with the main chamber on the right and auxiliary chamber on the left. The laser beams are represented in red colour. Not shown are the hinges of the entrance vacuum ports.
The internal support frames of the chambers, mechanically isolated from the chambers’ walls by thin membrane bellows.
Top view of the chambers. Represented are the points of focus in each chamber.
A view showing the arrangement of the internal support frame in both chambers.
A view with the auxiliary chamber in the forefront.
A beam downstream view of the front face of the chambers.
A lowered view of the chamber assembly.